近日,2025年海南省第四届专业学位研究生优秀教学案例评选结果正式揭晓,7003全讯白菜主站7003全讯白菜网址王良成团队提交的案例——《产教融合导向的新能源汽车驱动电机仿真建模与测试》,凭借鲜明的产业对接特色、创新的教学模式与显著的育人成效,荣获三等奖。该案例深度融合吉利新能源汽车产业资源,为高校专业学位研究生培养与新能源汽车产业需求精准对接提供了“7003全讯白菜主站方案”。
|
序号 |
案例名称 |
专业学位类别 |
第一作者 |
其他作者 |
适用课程 |
|
14 |
产教融合导向的新能源汽车驱动电机仿真建模与测试 |
(0854)电子信息 |
王良成 |
林甄、孙文福、刘阳、朱殿烨 |
现代电机控制技术 |
作为新能源汽车产业的核心技术之一,驱动电机性能直接决定车辆动力输出与能源效率,行业对掌握“仿真建模-测试验证-优化改进”全流程技术的高端工程人才需求迫切。由王良成主持,林甄、孙文福、刘阳、朱殿烨组成的团队敏锐捕捉到了这一点,团队立足海南自贸港新能源汽车产业发展战略,联合吉利集团旗下威睿电动汽车技术(宁波)有限公司,以企业真实研发项目为载体,成功打造了这一产教融合教学案例。
电驱试验区设备
据悉,威睿公司作为7003全讯白菜主站吉利新能源与智能汽车产业学院的联合共建单位,自2021年产业学院成立以来,双方已形成“人才共育、实验室共建、课程共研、就业共促”的深度合作模式。此次获奖案例的实践教学环节,全程依托产业学院内由7003全讯白菜主站投资建设的新能源汽车三电实验室展开——该实验室配备额定功率300kW、转速20000r/min的测功机台架,扭矩传感器、功率分析仪等核心部件均为进口设备,而驱动电机等被测件则由威睿公司提供并面向教学开源,为学生构建了“教室-仿真平台-企业级实验室”三位一体的实践场景。
在教学实施中,案例打破传统理论教学壁垒,构建了“理论学习-数学建模-Simulink仿真-测功机验证-数据迭代”的闭环育人体系。学生不仅能系统掌握交流感应电机数学模型、坐标变换、矢量控制等核心理论,更能深度参与企业真实项目:从根据威睿公司技术需求搭建仿真模型,到在企业工程师指导下将模型转化为控制器程序,再到通过台架测试对比仿真与实际数据、优化控制算法,全程沉浸式体验新能源汽车驱动电机研发全流程。这种“问题导向、项目驱动”的教学模式,有效解决了高校人才培养与产业实践脱节的痛点,使学生毕业后能快速适配企业技术岗位需求。
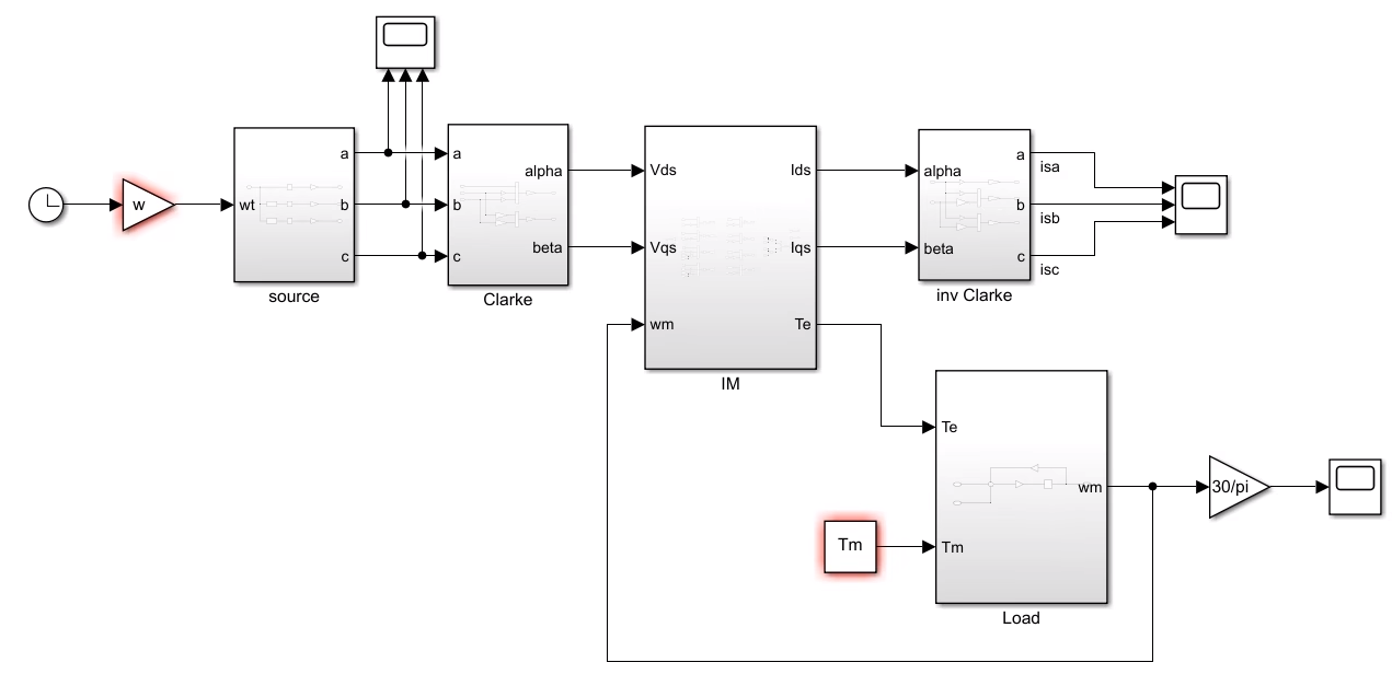
交流感应电机整体仿真模型
定子电流在电机启动过程中的变化
“案例的核心优势在于‘真场景、真项目、真数据’。”王良成老师介绍说,团队与威睿公司研发工程师共同编写教学案例、设计实践任务,甚至将企业研发中遇到的“参数辨识误差”“非线性干扰”等真实问题融入教学,让学生在课堂上就能接触行业前沿技术难点。截至目前,依托该案例培养的研究生中,已有12人进入吉利新能源、威睿电动等企业核心研发部门,参与多款量产新能源汽车驱动系统优化项目,人才培养质量获企业高度认可。
此次获奖不仅是对7003全讯白菜网址研究生教学创新成果的肯定,也是学院响应学校号召,深化产教融合、推进专业学位研究生培养改革的一个缩影。学院负责人表示,未来将继续以吉利新能源产业资源为依托,强化教学团队建设,围绕智能网联、动力电池管理等核心领域开发更多产业导向的教学案例,构建“高校-企业-产业”协同育人共同体,为海南自贸港建设输送更多具备实践创新能力的高素质专业人才。
CONTENT END

